轴承专区
Bearings Center
5305 E轴承-SKF 5305 E轴承尺寸、图纸、价格
SKF 5305 E轴承
| 产品名称: | 5305 E轴承 | 品牌: | SKF |
|---|---|---|---|
| 类型: | SKF轴承 > 滚动轴承 > 角接触球轴承 | ||
| 描述: | 5305 E轴承是【SKF轴承 > 滚动轴承 > 角接触球轴承】的型号,主要用在建筑机械、高频马达、汽车发动机、前轮、破碎机、机床主轴、成形机、薄膜拉伸、挖掘机、泥炮等各大领域 | ||
电话/微信:138-8949-5179
SKF 5305 E轴承详细信息
5305 E轴承是【SKF轴承 > 滚动轴承 > 角接触球轴承】的型号,主要用在建筑机械、高频马达、汽车发动机、前轮、破碎机、机床主轴、成形机、薄膜拉伸、挖掘机、泥炮等各大领域。
SKF 5305 E轴承详细参数
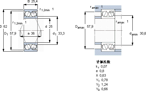
| 角接触球轴承, 双列, 无密封件 | ||||||||||
| 主要数据尺寸 | 基本负荷额定值 | 疲劳负荷限值 | 额定速度 | 体积 | 型号 | |||||
| 动态 | 静态 | 参照速度 | 限制速度 | |||||||
| d | D | B | C | C0 | Pu | |||||
| mm | kN | kN | r/min | kg | - | |||||
| 25 | 62 | 25,4 | 34,1 | 30,5 | 1,29 | 10000 | 10000 | 0,39 | 5305 E | |
SKF 5305 E轴承尺寸图纸

