轴承专区
Bearings Center
PF 45 TF轴承-SKF PF 45 TF轴承尺寸、图纸、价格
SKF PF 45 TF轴承
| 产品名称: | PF 45 TF轴承 | 品牌: | SKF |
|---|---|---|---|
| 类型: | SKF轴承 > 轴承单元 > Y-轴承法兰单元 | ||
| 描述: | PF 45 TF轴承是【SKF轴承 > 轴承单元 > Y-轴承法兰单元】的型号,主要用在燃汽轮机、各类变速器、挖土机履带轮、铁路车辆、破碎机、机床等的变速装置、电机厂、薄膜拉伸、工程船舶、抓钢机等各大领域 | ||
电话/微信:138-8949-5179
SKF PF 45 TF轴承详细信息
PF 45 TF轴承是【SKF轴承 > 轴承单元 > Y-轴承法兰单元】的型号,主要用在燃汽轮机、各类变速器、挖土机履带轮、铁路车辆、破碎机、机床等的变速装置、电机厂、薄膜拉伸、工程船舶、抓钢机等各大领域。
SKF PF 45 TF轴承详细参数
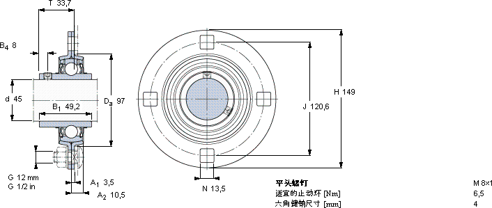
| Y-型轴承带法兰单元, 冲压钢轴承座,平头螺钉锁定, 带一个圆形法兰和三或四个螺栓孔, 公制轴承 | ||||||||||||
| 尺寸 | 基本负荷额定值 | 可允许住 | 质量 | 轴承单元 | 定购代号 | |||||||
| 动态 | 静态 | 房装载 | 轴承 | 轴承座 | 轴承 | |||||||
| d | Da | H | J | T | C | C0 | 径向 | 单元 | ||||
| mm | kN | kN | kg | - | ||||||||
| 45 | 97 | 149 | 120,6 | 33,7 | 33,2 | 21,6 | 8,3 | 1,35 | PF 45 TF | PF 85 | YAR 209-2F | |
SKF PF 45 TF轴承尺寸图纸

