轴承专区
Bearings Center
361844轴承-SKF 361844轴承尺寸、图纸、价格
SKF 361844轴承
| 产品名称: | 361844轴承 | 品牌: | SKF |
|---|---|---|---|
| 类型: | SKF轴承 > 滚动轴承 > 深沟球轴承 | ||
| 描述: | 361844轴承是【SKF轴承 > 滚动轴承 > 深沟球轴承】的型号,主要用在农业机械、机床主轴、减速装置、汽车、造纸机械、耕耘机、钢铁厂、饮料设备、地基处理机械、太阳能发电设备等各大领域 | ||
电话/微信:138-8949-5179
SKF 361844轴承详细信息
361844轴承是【SKF轴承 > 滚动轴承 > 深沟球轴承】的型号,主要用在农业机械、机床主轴、减速装置、汽车、造纸机械、耕耘机、钢铁厂、饮料设备、地基处理机械、太阳能发电设备等各大领域。
SKF 361844轴承详细参数
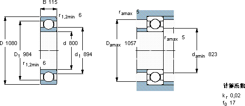
| 深沟球轴承, 单列, 于外圈的一个带定位槽 | |||||||||||
| 主要数据尺寸 | 基本负荷额定值 | 疲劳负荷限值 | 额定速度 | 体积 | 型号 | ||||||
| 动态 | 静态 | 参照速度 | 限制速度 | ||||||||
| d | D | B | C | C0 | Pu | ||||||
| mm | kN | kN | r/min | kg | - | ||||||
| 800 | 1080 | 115 | 819 | 2040 | 28,5 | 950 | 750 | 320 | 361844 | ||
SKF 361844轴承尺寸图纸

