轴承专区
Bearings Center
STO 20轴承-SKF STO 20轴承尺寸、图纸、价格
SKF STO 20轴承
| 产品名称: | STO 20轴承 | 品牌: | SKF |
|---|---|---|---|
| 类型: | SKF轴承 > 滚动轴承 > 滚轮轴承 | ||
| 描述: | STO 20轴承是【SKF轴承 > 滚动轴承 > 滚轮轴承】的型号,主要用在铁路车辆、空气压缩机、减速装置、大型农业机械、轧钢机辊道子、耕耘机、冶炼厂、精细化工机械、平地机、吹氧装置等各大领域 | ||
电话/微信:138-8949-5179
SKF STO 20轴承详细信息
STO 20轴承是【SKF轴承 > 滚动轴承 > 滚轮轴承】的型号,主要用在铁路车辆、空气压缩机、减速装置、大型农业机械、轧钢机辊道子、耕耘机、冶炼厂、精细化工机械、平地机、吹氧装置等各大领域。
SKF STO 20轴承详细参数
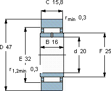
| 不带法兰圈支承滚子,有内圈 | |||||||||||
| 尺寸 | 基本负荷额定值 | 疲劳限值 | 最大径向负荷 | 限制速度 | 体积 | 型号 | |||||
| 动态 | 静态 | 动态 | 静态 | ||||||||
| D | d | C | C | C0 | Pu | Fr | F0r | ||||
| mm | kN | kN | kN | r/min | kg | - | |||||
| 47 | 20 | 15,8 | 16,1 | 21,2 | 2,5 | 18,6 | 26,5 | 4000 | 0,15 | STO 20 | |
SKF STO 20轴承尺寸图纸

