轴承专区
Bearings Center
361206 R轴承-SKF 361206 R轴承尺寸、图纸、价格
SKF 361206 R轴承
| 产品名称: | 361206 R轴承 | 品牌: | SKF |
|---|---|---|---|
| 类型: | SKF轴承 > 滚动轴承 > 滚轮轴承 | ||
| 描述: | 361206 R轴承是【SKF轴承 > 滚动轴承 > 滚轮轴承】的型号,主要用在建筑机械、高频马达、纺织机械传动轴、前轮、减速装置、机床主轴、成形机、纺织、混凝土机械、泥炮等各大领域 | ||
电话/微信:138-8949-5179
SKF 361206 R轴承详细信息
361206 R轴承是【SKF轴承 > 滚动轴承 > 滚轮轴承】的型号,主要用在建筑机械、高频马达、纺织机械传动轴、前轮、减速装置、机床主轴、成形机、纺织、混凝土机械、泥炮等各大领域。
SKF 361206 R轴承详细参数
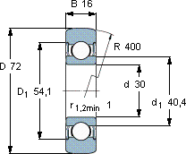
| 凸轮滚柱 | |||||||||||
| 尺寸 | 基本负荷额定值 | 疲劳限值 | 最大径向负荷 | 限制速度 | 体积 | 型号 | |||||
| 动态 | 静态 | 动态 | 静态 | ||||||||
| D | d | B | C | C0 | Pu | Fr | F0r | ||||
| mm | kN | kN | kN | r/min | kg | - | |||||
| 72 | 30 | 16 | 17,4 | 9,3 | 0,4 | 14,3 | 20,4 | 5300 | 0,34 | 361206 R | |
SKF 361206 R轴承尺寸图纸

