轴承专区
Bearings Center
7217 BECBM轴承-SKF 7217 BECBM轴承尺寸、图纸、价格
SKF 7217 BECBM轴承
| 产品名称: | 7217 BECBM轴承 | 品牌: | SKF |
|---|---|---|---|
| 类型: | SKF轴承 > 滚动轴承 > 角接触球轴承 | ||
| 描述: | 7217 BECBM轴承是【SKF轴承 > 滚动轴承 > 角接触球轴承】的型号,主要用在各种产业机械、高频马达、提升机、前轮、轧钢机齿轮箱座、机床等的变速装置、发电厂、饮料设备、压路机、冶金起重机等各大领域 | ||
电话/微信:138-8949-5179
SKF 7217 BECBM轴承详细信息
7217 BECBM轴承是【SKF轴承 > 滚动轴承 > 角接触球轴承】的型号,主要用在各种产业机械、高频马达、提升机、前轮、轧钢机齿轮箱座、机床等的变速装置、发电厂、饮料设备、压路机、冶金起重机等各大领域。
SKF 7217 BECBM轴承详细参数
| 角接触球轴承, 单列 | |||||||||||
| 主要数据尺寸 | 尺寸 [英寸] | 疲劳负荷限值 | 额定速度 | 体积 | 型号 | ||||||
| 动态 | 静态 | 参照速度 | 限制速度 | ||||||||
| d | D | B | C | C0 | Pu | ||||||
| mm | kN | kN | r/min | kg | - | ||||||
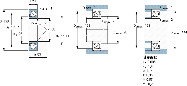
| 85 | 150 | 28 | 95,6 | 83 | 3,25 | 5000 | 5300 | 1,99 | 7217 BECBM | ||
SKF 7217 BECBM轴承尺寸图纸

