李工:138-8949-5179 刘工:135-0428-8802
型号查询
轴承型号   常见搜索: 6019轴承 6909轴承 6017轴承 6003轴承 6309轴承 6305轴承
型号查询 X

轴承专区

Bearings Center

353005轴承-SKF 353005轴承尺寸、图纸、价格

SKF 353005轴承

产品名称:353005轴承 品牌:SKF
类型:SKF轴承 > 滚动轴承 > 圆锥滚子推力轴承
描述:353005轴承是【SKF轴承 > 滚动轴承 > 圆锥滚子推力轴承】的型号,主要用在农业机械、机床主轴、发电机、汽车、木工机械、汽车转向销、钢铁厂、化纤机械、掘进机、太阳能发电设备等各大领域

 电话/微信:138-8949-5179

SKF 353005轴承详细信息

353005轴承是【SKF轴承 > 滚动轴承 > 圆锥滚子推力轴承】的型号,主要用在农业机械、机床主轴、发电机、汽车、木工机械、汽车转向销、钢铁厂、化纤机械、掘进机、太阳能发电设备等各大领域。

SKF 353005轴承详细参数

圆锥滚子推力轴承, 双向
主要数据尺寸基本负荷额定值疲劳负荷限值最小负荷系数型号
动态静态
dDHCC0Pu
mmkNkNkg-
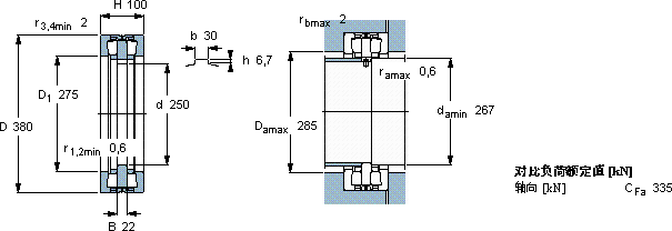
250380100897455033543,5353005

SKF 353005轴承尺寸图纸

李工:138-8949-5179

刘工:135-0428-8802

地址:辽宁省大连经济技术开发区现代城3栋-13-13号

在线客服系统