轴承专区
Bearings Center
NUP 252 MA轴承-SKF NUP 252 MA轴承尺寸、图纸、价格
SKF NUP 252 MA轴承
| 产品名称: | NUP 252 MA轴承 | 品牌: | SKF |
|---|---|---|---|
| 类型: | SKF轴承 > 滚动轴承 > 圆柱滚子轴承 | ||
| 描述: | NUP 252 MA轴承是【SKF轴承 > 滚动轴承 > 圆柱滚子轴承】的型号,主要用在通用电动机、印刷机械、减速装置、轧钢机辊颈、轧钢机齿轮箱座、制铁制钢机械、轧钢机轧制螺杆用减速机、纺织、堆取料机、刮泥机等各大领域 | ||
电话/微信:138-8949-5179
SKF NUP 252 MA轴承详细信息
NUP 252 MA轴承是【SKF轴承 > 滚动轴承 > 圆柱滚子轴承】的型号,主要用在通用电动机、印刷机械、减速装置、轧钢机辊颈、轧钢机齿轮箱座、制铁制钢机械、轧钢机轧制螺杆用减速机、纺织、堆取料机、刮泥机等各大领域。
SKF NUP 252 MA轴承详细参数
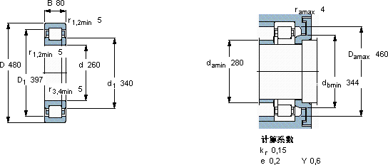
| 圆柱滚子轴承, 单列, NUP 设计 | ||||||||||||
| 主要数据尺寸 | 基本负荷额定值 | 疲劳负荷限值 | 额定速度 | 体积 | 型号 | 适宜的斜挡圈 | ||||||
| 动态 | 静态 | 参照速度 | 限制速度 | 型号 | ||||||||
| d | D | B | C | C0 | Pu | |||||||
| mm | kN | kN | r/min | kg | - | - | ||||||
| 260 | 480 | 80 | 1170 | 1700 | 156 | 1400 | 2000 | 72,0 | NUP 252 MA | - | ||
SKF NUP 252 MA轴承尺寸图纸

