轴承专区
Bearings Center
618/500 TN9轴承-SKF 618/500 TN9轴承尺寸、图纸、价格
SKF 618/500 TN9轴承
| 产品名称: | 618/500 TN9轴承 | 品牌: | SKF |
|---|---|---|---|
| 类型: | SKF轴承 > 滚动轴承 > 深沟球轴承 | ||
| 描述: | 618/500 TN9轴承是【SKF轴承 > 滚动轴承 > 深沟球轴承】的型号,主要用在装卸搬运机械、差速器小齿轮轴、纺织机械传动轴、小齿轮轴、印刷机械、机床主轴、矿山、玩具、挖掘机、风力发电设备等各大领域 | ||
电话/微信:138-8949-5179
SKF 618/500 TN9轴承详细信息
618/500 TN9轴承是【SKF轴承 > 滚动轴承 > 深沟球轴承】的型号,主要用在装卸搬运机械、差速器小齿轮轴、纺织机械传动轴、小齿轮轴、印刷机械、机床主轴、矿山、玩具、挖掘机、风力发电设备等各大领域。
SKF 618/500 TN9轴承详细参数
| 深沟球轴承, 单列, 无密封件 | |||||||||||
| 主要数据尺寸 | 基本负荷额定值 | 疲劳负荷限值 | 额定速度 | 体积 | 型号 | ||||||
| 动态 | 静态 | 参照速度 | 限制速度 | ||||||||
| d | D | B | C | C0 | Pu | ||||||
| mm | kN | kN | r/min | kg | - | ||||||
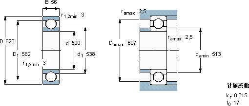
| 500 | 620 | 56 | 332 | 620 | 11,2 | 1800 | 1100 | 37,5 | 618/500 TN9 | ||
SKF 618/500 TN9轴承尺寸图纸

