轴承专区
Bearings Center
SYNT 80 L轴承-SKF SYNT 80 L轴承尺寸、图纸、价格
SKF SYNT 80 L轴承
| 产品名称: | SYNT 80 L轴承 | 品牌: | SKF |
|---|---|---|---|
| 类型: | SKF轴承 > 轴承单元 > 座式滚子轴承单元 | ||
| 描述: | SYNT 80 L轴承是【SKF轴承 > 轴承单元 > 座式滚子轴承单元】的型号,主要用在电气装置部件、机床主轴、挖土机履带轮、汽车、铁路车辆车轴、汽车转向销、船舶用螺旋桨轴、精细化工机械、掘进机、摩天轮等各大领域 | ||
电话/微信:138-8949-5179
SKF SYNT 80 L轴承详细信息
SYNT 80 L轴承是【SKF轴承 > 轴承单元 > 座式滚子轴承单元】的型号,主要用在电气装置部件、机床主轴、挖土机履带轮、汽车、铁路车辆车轴、汽车转向销、船舶用螺旋桨轴、精细化工机械、掘进机、摩天轮等各大领域。
SKF SYNT 80 L轴承详细参数
| 滚子轴承立式轴承座单元, SKF ConCentra, non-locating units, double-lip seals | ||||||||||||
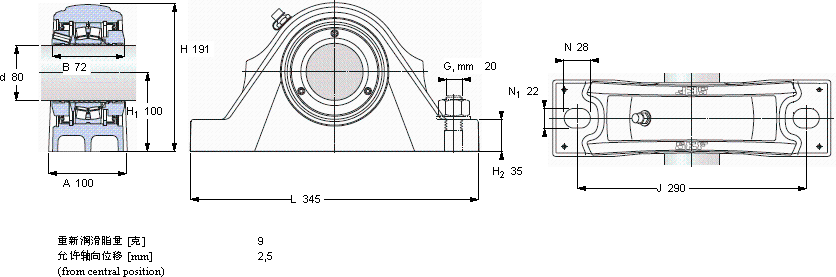
| 尺寸 | 尺寸 [英寸] | 疲劳负荷限值 | 限制速度 | 体积 | 型号 | 轴承,基本型号 | ||||||
| 动态 | 静态 | |||||||||||
| da | A | H | H1 | L | C | C0 | Pu | |||||
| mm | kN | kN | r/min | kg | - | - | ||||||
| 80 | 100 | 191 | 100 | 345 | 236 | 270 | 29 | 2300 | 20 | SYNT 80 L | 22216 E | |
SKF SYNT 80 L轴承尺寸图纸

