李工:138-8949-5179 刘工:135-0428-8802
型号查询
轴承型号   常见搜索: nu轴承 6305轴承 6011轴承 6008轴承 6205轴承 3214轴承
型号查询 X

轴承专区

Bearings Center

315754轴承-SKF 315754轴承尺寸、图纸、价格

SKF 315754轴承

产品名称:315754轴承 品牌:SKF
类型:SKF轴承 > 滚动轴承 > 圆柱滚子轴承
描述:315754轴承是【SKF轴承 > 滚动轴承 > 圆柱滚子轴承】的型号,主要用在装卸搬运机械、离心分离机、压缩机、变速器、减速装置、石油钻机转环、矿山、纺织、轻工机械、摩天轮等各大领域

 电话/微信:138-8949-5179

SKF 315754轴承详细信息

315754轴承是【SKF轴承 > 滚动轴承 > 圆柱滚子轴承】的型号,主要用在装卸搬运机械、离心分离机、压缩机、变速器、减速装置、石油钻机转环、矿山、纺织、轻工机械、摩天轮等各大领域。

SKF 315754轴承详细参数

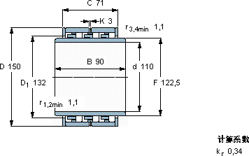
圆柱滚子轴承, 六列
主要数据尺寸基本负荷额定值疲劳负荷限值额定速度体积型号
动态静态参照速度限制速度
dDBCC0Pu
mmkNkNr/minkg-
1101509023857069,5150018004,35315754

SKF 315754轴承尺寸图纸

李工:138-8949-5179

刘工:135-0428-8802

地址:辽宁省大连经济技术开发区现代城3栋-13-13号

在线客服系统