轴承专区
Bearings Center
306493 AA轴承-SKF 306493 AA轴承尺寸、图纸、价格
SKF 306493 AA轴承
| 产品名称: | 306493 AA轴承 | 品牌: | SKF |
|---|---|---|---|
| 类型: | SKF轴承 > 滚动轴承 > 深沟球轴承 | ||
| 描述: | 306493 AA轴承是【SKF轴承 > 滚动轴承 > 深沟球轴承】的型号,主要用在变速器、差速器小齿轮轴、提升机、小齿轮轴、破碎机、机床主轴、立式电动机、塑料、挖掘机、吹氧装置等各大领域 | ||
电话/微信:138-8949-5179
SKF 306493 AA轴承详细信息
306493 AA轴承是【SKF轴承 > 滚动轴承 > 深沟球轴承】的型号,主要用在变速器、差速器小齿轮轴、提升机、小齿轮轴、破碎机、机床主轴、立式电动机、塑料、挖掘机、吹氧装置等各大领域。
SKF 306493 AA轴承详细参数
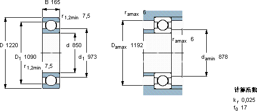
| 深沟球轴承, 单列, 于外圈的一个带定位槽 | |||||||||||
| 主要数据尺寸 | 基本负荷额定值 | 疲劳负荷限值 | 额定速度 | 体积 | 型号 | ||||||
| 动态 | 静态 | 参照速度 | 限制速度 | ||||||||
| d | D | B | C | C0 | Pu | ||||||
| mm | kN | kN | r/min | kg | - | ||||||
| 850 | 1220 | 165 | 1040 | 2700 | 35,5 | 800 | 670 | 630 | 306493 AA | ||
SKF 306493 AA轴承尺寸图纸

