轴承专区
Bearings Center
SILKAC 22 M轴承-SKF SILKAC 22 M轴承尺寸、图纸、价格
SKF SILKAC 22 M轴承
| 产品名称: | SILKAC 22 M轴承 | 品牌: | SKF |
|---|---|---|---|
| 类型: | SKF轴承 > 球面滑动轴承和杆端关节轴承 > 需维护的杆端关节轴承 | ||
| 描述: | SILKAC 22 M轴承是【SKF轴承 > 球面滑动轴承和杆端关节轴承 > 需维护的杆端关节轴承】的型号,主要用在铁路车辆、燃料喷射泵、变速器、齿轮减速装置、木工机械、起重机吊钩、冶炼厂、塑料、专用车、正面吊等各大领域 | ||
电话/微信:138-8949-5179
SKF SILKAC 22 M轴承详细信息
SILKAC 22 M轴承是【SKF轴承 > 球面滑动轴承和杆端关节轴承 > 需维护的杆端关节轴承】的型号,主要用在铁路车辆、燃料喷射泵、变速器、齿轮减速装置、木工机械、起重机吊钩、冶炼厂、塑料、专用车、正面吊等各大领域。
SKF SILKAC 22 M轴承详细参数
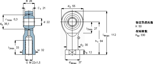
| 需要维护的杆端, 钢对青铜,阴螺纹 | |||||||||||
| 主要数据尺寸 | 角度倾的 | 基本负荷额定值 | 质量 | 型号 | |||||||
| 动态 | 静态 | 轴承座完全与 | |||||||||
| d | d2 | B | d3 | C1 | h1 | ± | C | C0 | |||
| 6H | |||||||||||
| mm | 度数 | kN | kg | - | |||||||
| 22 | 55 | 28 | M 22x1,5 | 21 | 84 | 15 | 38 | 45 | 0,52 | SILKAC 22 M | |
SKF SILKAC 22 M轴承尺寸图纸

