李工:138-8949-5179 刘工:135-0428-8802
型号查询
轴承型号   常见搜索: 617轴承 6014轴承 23136轴承 6028轴承 6005轴承 6024轴承
型号查询 X

轴承专区

Bearings Center

7208 BEGAM *轴承-SKF 7208 BEGAM *轴承尺寸、图纸、价格

SKF 7208 BEGAM *轴承

产品名称:7208 BEGAM *轴承 品牌:SKF
类型:SKF轴承 > 滚动轴承 > 角接触球轴承
描述:7208 BEGAM *轴承是【SKF轴承 > 滚动轴承 > 角接触球轴承】的型号,主要用在燃汽轮机、罗茨鼓风机、挖土机履带轮、建筑机械、减速装置、石油钻机转环、电机厂、啤酒、凿岩机械、码垛机器人等各大领域

 电话/微信:138-8949-5179

SKF 7208 BEGAM *轴承详细信息

7208 BEGAM *轴承是【SKF轴承 > 滚动轴承 > 角接触球轴承】的型号,主要用在燃汽轮机、罗茨鼓风机、挖土机履带轮、建筑机械、减速装置、石油钻机转环、电机厂、啤酒、凿岩机械、码垛机器人等各大领域。

SKF 7208 BEGAM *轴承详细参数

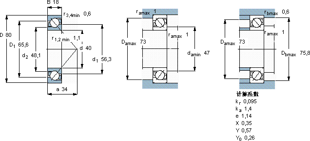
角接触球轴承, 单列
主要数据尺寸尺寸 [英寸]疲劳负荷限值额定速度体积型号
动态静态参照速度限制速度
dDBCC0Pu * - SKF Explorer 轴承
mmkNkNr/minkg-
40801836,5261,111000110000,397208 BEGAM *

SKF 7208 BEGAM *轴承尺寸图纸

李工:138-8949-5179

刘工:135-0428-8802

地址:辽宁省大连经济技术开发区现代城3栋-13-13号

在线客服系统