李工:138-8949-5179 刘工:135-0428-8802
型号查询
轴承型号   常见搜索: 6016轴承 32313轴承 23136轴承 71913轴承 688a轴承 6010轴承
型号查询 X

轴承专区

Bearings Center

30208 RJ2/Q轴承-SKF 30208 RJ2/Q轴承尺寸、图纸、价格

SKF 30208 RJ2/Q轴承

产品名称:30208 RJ2/Q轴承 品牌:SKF
类型:SKF轴承 > 滚动轴承 > 圆锥滚子轴承
描述:30208 RJ2/Q轴承是【SKF轴承 > 滚动轴承 > 圆锥滚子轴承】的型号,主要用在农业机械、空气压缩机、发电机、大型农业机械、振动筛、耕耘机、钢铁厂、饮料设备、地基处理机械、刮泥机等各大领域

 电话/微信:138-8949-5179

SKF 30208 RJ2/Q轴承详细信息

30208 RJ2/Q轴承是【SKF轴承 > 滚动轴承 > 圆锥滚子轴承】的型号,主要用在农业机械、空气压缩机、发电机、大型农业机械、振动筛、耕耘机、钢铁厂、饮料设备、地基处理机械、刮泥机等各大领域。

SKF 30208 RJ2/Q轴承详细参数

圆锥滚子轴承, 单列, 公制轴承, 外圈有挡边
主要数据尺寸基本负荷额定值疲劳负荷限值额定速度体积型号
动态静态参照速度限制速度
dDTCC0Pu
mmkNkNr/minkg-
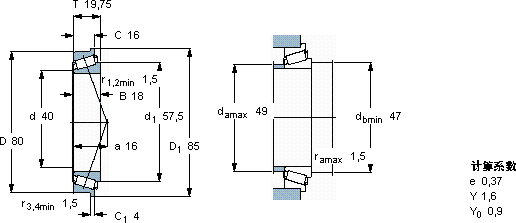
408019,7561,6687,65630085000,4230208 RJ2/Q

SKF 30208 RJ2/Q轴承尺寸图纸

李工:138-8949-5179

刘工:135-0428-8802

地址:辽宁省大连经济技术开发区现代城3栋-13-13号

在线客服系统