李工:138-8949-5179 刘工:135-0428-8802
型号查询
轴承型号   常见搜索: 688a轴承 6906轴承 6304轴承 6026轴承 6005轴承 32313轴承
型号查询 X

轴承专区

Bearings Center

2 x 7308 BEGBM *轴承-SKF 2 x 7308 BEGBM *轴承尺寸、图纸、价格

SKF 2 x 7308 BEGBM *轴承

产品名称:2 x 7308 BEGBM *轴承 品牌:SKF
类型:SKF轴承 > 滚动轴承 > 角接触球轴承
描述:2 x 7308 BEGBM *轴承是【SKF轴承 > 滚动轴承 > 角接触球轴承】的型号,主要用在装卸搬运机械、各类变速器、燃汽轮机、铁路车辆、减速装置、机床等的变速装置、矿山、纺织、工程船舶、摩天轮等各大领域

 电话/微信:138-8949-5179

SKF 2 x 7308 BEGBM *轴承详细信息

2 x 7308 BEGBM *轴承是【SKF轴承 > 滚动轴承 > 角接触球轴承】的型号,主要用在装卸搬运机械、各类变速器、燃汽轮机、铁路车辆、减速装置、机床等的变速装置、矿山、纺织、工程船舶、摩天轮等各大领域。

SKF 2 x 7308 BEGBM *轴承详细参数

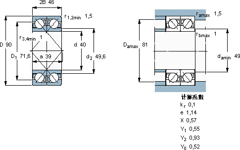
角接触球轴承, 单列,用于配对安装, 面对面配对
主要数据尺寸基本负荷额定值疲劳负荷限值额定速度体积型号轴承配对
动态静态参照速度限制速度
dD2BCC0Pu * - SKF Explorer 轴承
mmkNkNr/minkg--
4090468065,52,758000100001,352 × 7308 BEGBM *DF

SKF 2 x 7308 BEGBM *轴承尺寸图纸

李工:138-8949-5179

刘工:135-0428-8802

地址:辽宁省大连经济技术开发区现代城3栋-13-13号

在线客服系统