轴承专区
Bearings Center
249/1000 CA/W33轴承-SKF 249/1000 CA/W33轴承尺寸、图纸、价格
SKF 249/1000 CA/W33轴承
| 产品名称: | 249/1000 CA/W33轴承 | 品牌: | SKF |
|---|---|---|---|
| 类型: | SKF轴承 > 滚动轴承 > 球面滚子轴承 | ||
| 描述: | 249/1000 CA/W33轴承是【SKF轴承 > 滚动轴承 > 球面滚子轴承】的型号,主要用在家用电器、燃料喷射泵、中型及大型电动机、齿轮减速装置、铁路车辆车轴、起重机吊钩、塔吊、钟表、专用车、冶金起重机等各大领域 | ||
电话/微信:138-8949-5179
SKF 249/1000 CA/W33轴承详细信息
249/1000 CA/W33轴承是【SKF轴承 > 滚动轴承 > 球面滚子轴承】的型号,主要用在家用电器、燃料喷射泵、中型及大型电动机、齿轮减速装置、铁路车辆车轴、起重机吊钩、塔吊、钟表、专用车、冶金起重机等各大领域。
SKF 249/1000 CA/W33轴承详细参数
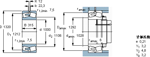
| 球面滚子轴承, 圆柱和圆锥孔, 圆柱型内孔, 无密封件 | ||||||||||
| 主要数据尺寸 | 基本负荷额定值 | 疲劳负荷限值 | 额定速度 | 体积 | 型号 | |||||
| 动态 | 静态 | 参照速度 | 限制速度 | |||||||
| d | D | B | C | C0 | Pu | |||||
| mm | kN | kN | r/min | kg | - | |||||
| 1000 | 1320 | 315 | 10400 | 29000 | 1500 | 170 | 320 | 1200 | 249/1000 CA/W33 | |
SKF 249/1000 CA/W33轴承尺寸图纸

