轴承专区
Bearings Center
SILKAC 16 M轴承-SKF SILKAC 16 M轴承尺寸、图纸、价格
SKF SILKAC 16 M轴承
| 产品名称: | SILKAC 16 M轴承 | 品牌: | SKF |
|---|---|---|---|
| 类型: | SKF轴承 > 球面滑动轴承和杆端关节轴承 > 需维护的杆端关节轴承 | ||
| 描述: | SILKAC 16 M轴承是【SKF轴承 > 球面滑动轴承和杆端关节轴承 > 需维护的杆端关节轴承】的型号,主要用在电气装置部件、小型汽车前轮、纺织机械传动轴、差速器、铁路车辆车轴、汽车转向销、船舶用螺旋桨轴、啤酒、掘进机、伽玛等各大领域 | ||
电话/微信:138-8949-5179
SKF SILKAC 16 M轴承详细信息
SILKAC 16 M轴承是【SKF轴承 > 球面滑动轴承和杆端关节轴承 > 需维护的杆端关节轴承】的型号,主要用在电气装置部件、小型汽车前轮、纺织机械传动轴、差速器、铁路车辆车轴、汽车转向销、船舶用螺旋桨轴、啤酒、掘进机、伽玛等各大领域。
SKF SILKAC 16 M轴承详细参数
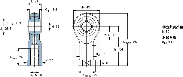
| 需要维护的杆端, 钢对青铜,阴螺纹 | |||||||||||
| 主要数据尺寸 | 角度倾的 | 基本负荷额定值 | 质量 | 型号 | |||||||
| 动态 | 静态 | 轴承座完全与 | |||||||||
| d | d2 | B | d3 | C1 | h1 | ± | C | C0 | |||
| 6H | |||||||||||
| mm | 度数 | kN | kg | - | |||||||
| 16 | 43 | 21 | M 16 | 15,5 | 64 | 15 | 21,6 | 29 | 0,23 | SILKAC 16 M | |
SKF SILKAC 16 M轴承尺寸图纸

