李工:138-8949-5179 刘工:135-0428-8802
型号查询
轴承型号   常见搜索: 6214轴承 6304轴承 6309轴承 22222轴承 6013轴承 7014轴承
型号查询 X

轴承专区

Bearings Center

314-2ZNR轴承-SKF 314-2ZNR轴承尺寸、图纸、价格

SKF 314-2ZNR轴承

产品名称:314-2ZNR轴承 品牌:SKF
类型:SKF轴承 > 滚动轴承 > 深沟球轴承
描述:314-2ZNR轴承是【SKF轴承 > 滚动轴承 > 深沟球轴承】的型号,主要用在飞机喷气式发动机、机床主轴、提升机、汽车、木工机械、耕耘机、燃机、饮料设备、平地机、坦克等各大领域

 电话/微信:138-8949-5179

SKF 314-2ZNR轴承详细信息

314-2ZNR轴承是【SKF轴承 > 滚动轴承 > 深沟球轴承】的型号,主要用在飞机喷气式发动机、机床主轴、提升机、汽车、木工机械、耕耘机、燃机、饮料设备、平地机、坦克等各大领域。

SKF 314-2ZNR轴承详细参数

深沟球轴承, 单列,带装球缺口和止动环槽, 两面防尘罩
主要数据尺寸基本负荷额定值疲劳负荷限值额定速度体积型号
动态静态参照速度限制速度轴承,带止动环止动环
dDBCC0Pu
mmkNkNr/minkg-
70150351141024,15800040002,75314-2ZNRSP 150

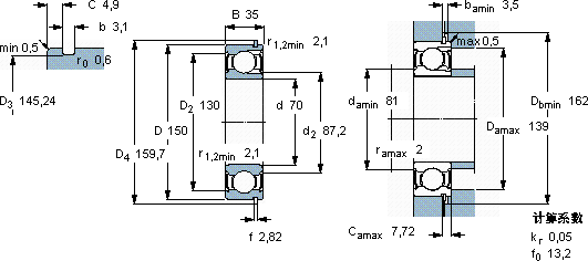
SKF 314-2ZNR轴承尺寸图纸

李工:138-8949-5179

刘工:135-0428-8802

地址:辽宁省大连经济技术开发区现代城3栋-13-13号

在线客服系统