李工:138-8949-5179 刘工:135-0428-8802
型号查询
轴承型号   常见搜索: 6008轴承 32313轴承 6012轴承 6032轴承 6002轴承 6003轴承
型号查询 X

轴承专区

Bearings Center

NJ 2215 ECJ *轴承-SKF NJ 2215 ECJ *轴承尺寸、图纸、价格

SKF NJ 2215 ECJ *轴承

产品名称:NJ 2215 ECJ *轴承 品牌:SKF
类型:SKF轴承 > 滚动轴承 > 圆柱滚子轴承
描述:NJ 2215 ECJ *轴承是【SKF轴承 > 滚动轴承 > 圆柱滚子轴承】的型号,主要用在电气装置部件、油泵、压缩机、机床主轴、振动筛、石油钻机、船舶用螺旋桨轴、薄膜拉伸、给料机械、摩天轮等各大领域

 电话/微信:138-8949-5179

SKF NJ 2215 ECJ *轴承详细信息

NJ 2215 ECJ *轴承是【SKF轴承 > 滚动轴承 > 圆柱滚子轴承】的型号,主要用在电气装置部件、油泵、压缩机、机床主轴、振动筛、石油钻机、船舶用螺旋桨轴、薄膜拉伸、给料机械、摩天轮等各大领域。

SKF NJ 2215 ECJ *轴承详细参数

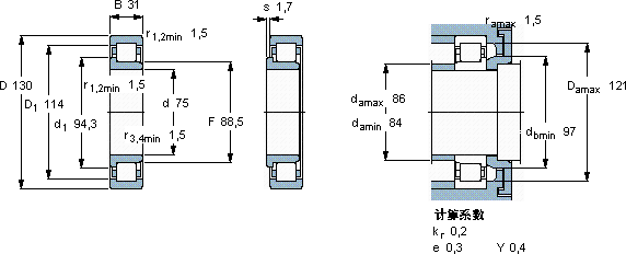
圆柱滚子轴承, 单列, NJ 设计
主要数据尺寸基本负荷额定值疲劳负荷限值额定速度体积型号适宜的斜挡圈
动态静态参照速度限制速度型号
dDBCC0Pu * - SKF Explorer 轴承
mmkNkNr/minkg--
751303118620827560095001,60NJ 2215 ECJ *-

SKF NJ 2215 ECJ *轴承尺寸图纸

李工:138-8949-5179

刘工:135-0428-8802

地址:辽宁省大连经济技术开发区现代城3栋-13-13号

在线客服系统