轴承专区
Bearings Center
2317 KM + H 2317轴承-SKF 2317 KM + H 2317轴承尺寸、图纸、价格
SKF 2317 KM + H 2317轴承
| 产品名称: | 2317 KM + H 2317轴承 | 品牌: | SKF |
|---|---|---|---|
| 类型: | SKF轴承 > 滚动轴承 > 自调心球轴承 | ||
| 描述: | 2317 KM + H 2317轴承是【SKF轴承 > 滚动轴承 > 自调心球轴承】的型号,主要用在农业机械、小型汽车前轮、减速装置、差速器、造纸机械、耕耘机、钢铁厂、破碎、平地机、机场加油机等各大领域 | ||
电话/微信:138-8949-5179
SKF 2317 KM + H 2317轴承详细信息
2317 KM + H 2317轴承是【SKF轴承 > 滚动轴承 > 自调心球轴承】的型号,主要用在农业机械、小型汽车前轮、减速装置、差速器、造纸机械、耕耘机、钢铁厂、破碎、平地机、机场加油机等各大领域。
SKF 2317 KM + H 2317轴承详细参数
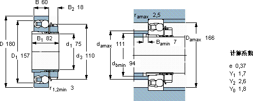
| 自调心球轴承, 带紧定套, 无密封件 | ||||||||||
| 主要数据尺寸 | 基本负荷额定值 | 疲劳负荷限值 | 额定速度 | 体积 | 型号 | |||||
| 动态 | 静态 | 参照速度 | 限制速度 | 轴承 + 紧定套 | ||||||
| d1 | D | B | C | C0 | Pu | |||||
| mm | kN | kN | r/min | kg | - | |||||
| 75 | 180 | 60 | 140 | 51 | 2,28 | 6700 | 4800 | 8,15 | 2317 KM + H 2317 | |
SKF 2317 KM + H 2317轴承尺寸图纸

