轴承专区
Bearings Center
23164 CCK/W33 + OH 3164 H *轴承-SKF 23164 CCK/W33 + OH 3164 H *轴承尺寸、图纸、价格
SKF 23164 CCK/W33 + OH 3164 H *轴承
| 产品名称: | 23164 CCK/W33 + OH 3164 H *轴承 | 品牌: | SKF |
|---|---|---|---|
| 类型: | SKF轴承 > 滚动轴承 > 球面滚子轴承 | ||
| 描述: | 23164 CCK/W33 + OH 3164 H *轴承是【SKF轴承 > 滚动轴承 > 球面滚子轴承】的型号,主要用在装卸搬运机械、差速器小齿轮轴、变速器、小齿轮轴、各类产业用减速机、机床主轴、矿山、钟表、混凝土机械、风力发电设备等各大领域 | ||
电话/微信:138-8949-5179
SKF 23164 CCK/W33 + OH 3164 H *轴承详细信息
23164 CCK/W33 + OH 3164 H *轴承是【SKF轴承 > 滚动轴承 > 球面滚子轴承】的型号,主要用在装卸搬运机械、差速器小齿轮轴、变速器、小齿轮轴、各类产业用减速机、机床主轴、矿山、钟表、混凝土机械、风力发电设备等各大领域。
SKF 23164 CCK/W33 + OH 3164 H *轴承详细参数
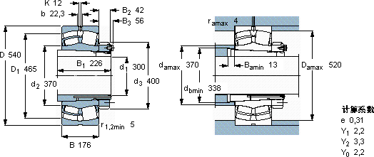
| 球面滚子轴承, 带紧定套的 | ||||||||||
| 主要数据尺寸 | 基本负荷额定值 | 疲劳负荷限值 | 额定速度 | 体积 | 型号 | |||||
| 动态 | 静态 | 参照速度 | 限制速度 | 轴承 + 紧定套 | ||||||
| d1 | D | B | C | C0 | Pu | |||||
| * - SKF Explorer 轴承 | ||||||||||
| mm | kN | kN | r/min | kg | - | |||||
| 300 | 540 | 176 | 3750 | 6000 | 440 | 850 | 1100 | 185 | 23164 CCK/W33 + OH 3164 H * | |
SKF 23164 CCK/W33 + OH 3164 H *轴承尺寸图纸

