李工:138-8949-5179 刘工:135-0428-8802
型号查询
轴承型号   常见搜索: 6002轴承 23136轴承 32313轴承 6018轴承 6001轴承 6906轴承
型号查询 X

轴承专区

Bearings Center

SAL 12 E轴承-SKF SAL 12 E轴承尺寸、图纸、价格

SKF SAL 12 E轴承

产品名称:SAL 12 E轴承 品牌:SKF
类型:SKF轴承 > 球面滑动轴承和杆端关节轴承 > 需维护的杆端关节轴承
描述:SAL 12 E轴承是【SKF轴承 > 球面滑动轴承和杆端关节轴承 > 需维护的杆端关节轴承】的型号,主要用在铁路车辆、燃料喷射泵、纺织机械传动轴、齿轮减速装置、轧钢机辊道子、石油钻机、冶炼厂、化纤机械、给料机械、正面吊等各大领域

 电话/微信:138-8949-5179

SKF SAL 12 E轴承详细信息

SAL 12 E轴承是【SKF轴承 > 球面滑动轴承和杆端关节轴承 > 需维护的杆端关节轴承】的型号,主要用在铁路车辆、燃料喷射泵、纺织机械传动轴、齿轮减速装置、轧钢机辊道子、石油钻机、冶炼厂、化纤机械、给料机械、正面吊等各大领域。

SKF SAL 12 E轴承详细参数

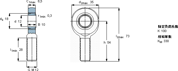
需要维护的杆端, 钢对钢,阳螺纹
主要数据尺寸角度倾的基本负荷额定值质量型号
动态静态杆端带右或左旋螺纹
dd2Bd3C1h±CC0
6g
mm度数kNkg-
123510M 128,5541010,824,50,071SAL 12 E

SKF SAL 12 E轴承尺寸图纸

李工:138-8949-5179

刘工:135-0428-8802

地址:辽宁省大连经济技术开发区现代城3栋-13-13号

在线客服系统