李工:138-8949-5179 刘工:135-0428-8802
型号查询
轴承型号   常见搜索: 23136轴承 32313轴承 6024轴承 6022轴承 6004轴承 6026轴承
型号查询 X

轴承专区

Bearings Center

609/630 MB轴承-SKF 609/630 MB轴承尺寸、图纸、价格

SKF 609/630 MB轴承

产品名称:609/630 MB轴承 品牌:SKF
类型:SKF轴承 > 滚动轴承 > 深沟球轴承
描述:609/630 MB轴承是【SKF轴承 > 滚动轴承 > 深沟球轴承】的型号,主要用在变速器、高频马达、泵、前轮、印刷机械、机床等的变速装置、立式电动机、音像设备、压路机、正面吊等各大领域

 电话/微信:138-8949-5179

SKF 609/630 MB轴承详细信息

609/630 MB轴承是【SKF轴承 > 滚动轴承 > 深沟球轴承】的型号,主要用在变速器、高频马达、泵、前轮、印刷机械、机床等的变速装置、立式电动机、音像设备、压路机、正面吊等各大领域。

SKF 609/630 MB轴承详细参数

深沟球轴承, 单列, 无密封件
主要数据尺寸基本负荷额定值疲劳负荷限值额定速度体积型号
动态静态参照速度限制速度
dDBCC0Pu
mmkNkNr/minkg-
63085071488106016,613001100110609/630 MB

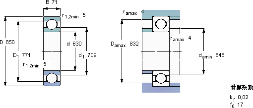
SKF 609/630 MB轴承尺寸图纸

李工:138-8949-5179

刘工:135-0428-8802

地址:辽宁省大连经济技术开发区现代城3栋-13-13号

在线客服系统