轴承专区
Bearings Center
23132 CCK/W33 + AH 3132 G *轴承-SKF 23132 CCK/W33 + AH 3132 G *轴承尺寸、图纸、价格
SKF 23132 CCK/W33 + AH 3132 G *轴承
| 产品名称: | 23132 CCK/W33 + AH 3132 G *轴承 | 品牌: | SKF |
|---|---|---|---|
| 类型: | SKF轴承 > 滚动轴承 > 球面滚子轴承 | ||
| 描述: | 23132 CCK/W33 + AH 3132 G *轴承是【SKF轴承 > 滚动轴承 > 球面滚子轴承】的型号,主要用在变速器、各类变速器、桥式起重机、铁路车辆、各类产业用减速机、机床主轴、立式电动机、啤酒、混凝土机械、机械手等各大领域 | ||
电话/微信:138-8949-5179
SKF 23132 CCK/W33 + AH 3132 G *轴承详细信息
23132 CCK/W33 + AH 3132 G *轴承是【SKF轴承 > 滚动轴承 > 球面滚子轴承】的型号,主要用在变速器、各类变速器、桥式起重机、铁路车辆、各类产业用减速机、机床主轴、立式电动机、啤酒、混凝土机械、机械手等各大领域。
SKF 23132 CCK/W33 + AH 3132 G *轴承详细参数
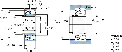
| 球面滚子轴承, 带退卸套的 | ||||||||||
| 主要数据尺寸 | 基本负荷额定值 | 疲劳负荷限值 | 额定速度 | 体积 | 型号 | |||||
| 动态 | 静态 | 参照速度 | 限制速度 | 轴承 +退卸套 | ||||||
| d1 | D | B | C | C0 | Pu | |||||
| * - SKF Explorer 轴承 | ||||||||||
| mm | kN | kN | r/min | kg | - | |||||
| 150 | 270 | 86 | 980 | 1370 | 129 | 1900 | 2400 | 23,0 | 23132 CCK/W33 + AH 3132 G * | |
SKF 23132 CCK/W33 + AH 3132 G *轴承尺寸图纸

