轴承专区
Bearings Center
2312 K + H 2312轴承-SKF 2312 K + H 2312轴承尺寸、图纸、价格
SKF 2312 K + H 2312轴承
| 产品名称: | 2312 K + H 2312轴承 | 品牌: | SKF |
|---|---|---|---|
| 类型: | SKF轴承 > 滚动轴承 > 自调心球轴承 | ||
| 描述: | 2312 K + H 2312轴承是【SKF轴承 > 滚动轴承 > 自调心球轴承】的型号,主要用在仪表、各类变速器、压缩机、铁路车辆、减速装置、机床主轴、碾煤机、饮料设备、挖掘机、坦克等各大领域 | ||
电话/微信:138-8949-5179
SKF 2312 K + H 2312轴承详细信息
2312 K + H 2312轴承是【SKF轴承 > 滚动轴承 > 自调心球轴承】的型号,主要用在仪表、各类变速器、压缩机、铁路车辆、减速装置、机床主轴、碾煤机、饮料设备、挖掘机、坦克等各大领域。
SKF 2312 K + H 2312轴承详细参数
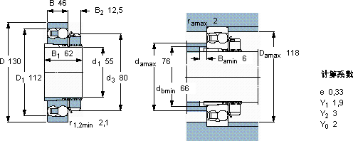
| 自调心球轴承, 带紧定套, 无密封件 | ||||||||||
| 主要数据尺寸 | 基本负荷额定值 | 疲劳负荷限值 | 额定速度 | 体积 | 型号 | |||||
| 动态 | 静态 | 参照速度 | 限制速度 | 轴承 + 紧定套 | ||||||
| d1 | D | B | C | C0 | Pu | |||||
| mm | kN | kN | r/min | kg | - | |||||
| 55 | 130 | 46 | 87,1 | 28,5 | 1,46 | 9500 | 7000 | 2,95 | 2312 K + H 2312 | |
SKF 2312 K + H 2312轴承尺寸图纸

