轴承专区
Bearings Center
7411 BGM轴承-SKF 7411 BGM轴承尺寸、图纸、价格
SKF 7411 BGM轴承
| 产品名称: | 7411 BGM轴承 | 品牌: | SKF |
|---|---|---|---|
| 类型: | SKF轴承 > 滚动轴承 > 角接触球轴承 | ||
| 描述: | 7411 BGM轴承是【SKF轴承 > 滚动轴承 > 角接触球轴承】的型号,主要用在各种产业机械、罗茨鼓风机、纺织机械传动轴、建筑机械、印刷机械、石油钻机转环、发电厂、电子、凿岩机械、冶金起重机等各大领域 | ||
电话/微信:138-8949-5179
SKF 7411 BGM轴承详细信息
7411 BGM轴承是【SKF轴承 > 滚动轴承 > 角接触球轴承】的型号,主要用在各种产业机械、罗茨鼓风机、纺织机械传动轴、建筑机械、印刷机械、石油钻机转环、发电厂、电子、凿岩机械、冶金起重机等各大领域。
SKF 7411 BGM轴承详细参数
| 角接触球轴承, 单列 | |||||||||||
| 主要数据尺寸 | 尺寸 [英寸] | 疲劳负荷限值 | 额定速度 | 体积 | 型号 | ||||||
| 动态 | 静态 | 参照速度 | 限制速度 | ||||||||
| d | D | B | C | C0 | Pu | ||||||
| mm | kN | kN | r/min | kg | - | ||||||
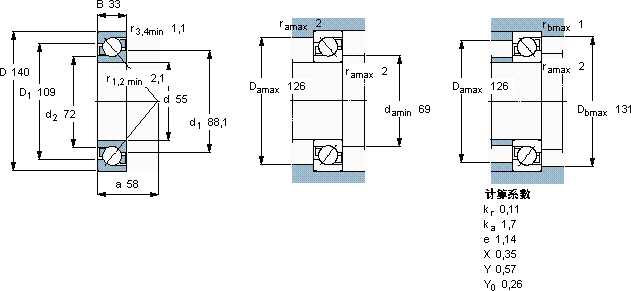
| 55 | 140 | 33 | 111 | 76,5 | 3,25 | 6000 | 6300 | 2,75 | 7411 BGM | ||
SKF 7411 BGM轴承尺寸图纸

