轴承专区
Bearings Center
618/6轴承-SKF 618/6轴承尺寸、图纸、价格
SKF 618/6轴承
| 产品名称: | 618/6轴承 | 品牌: | SKF |
|---|---|---|---|
| 类型: | SKF轴承 > 滚动轴承 > 深沟球轴承 | ||
| 描述: | 618/6轴承是【SKF轴承 > 滚动轴承 > 深沟球轴承】的型号,主要用在各种产业机械、罗茨鼓风机、中型及大型电动机、建筑机械、破碎机、石油钻机转环、发电厂、精细化工机械、凿岩机械、冶金起重机等各大领域 | ||
电话/微信:138-8949-5179
SKF 618/6轴承详细信息
618/6轴承是【SKF轴承 > 滚动轴承 > 深沟球轴承】的型号,主要用在各种产业机械、罗茨鼓风机、中型及大型电动机、建筑机械、破碎机、石油钻机转环、发电厂、精细化工机械、凿岩机械、冶金起重机等各大领域。
SKF 618/6轴承详细参数
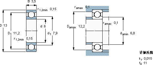
| 深沟球轴承, 单列, 无密封件 | |||||||||||
| 主要数据尺寸 | 基本负荷额定值 | 疲劳负荷限值 | 额定速度 | 体积 | 型号 | ||||||
| 动态 | 静态 | 参照速度 | 限制速度 | ||||||||
| d | D | B | C | C0 | Pu | ||||||
| mm | kN | kN | r/min | kg | - | ||||||
| 6 | 13 | 3,5 | 0,884 | 0,345 | 0,015 | 110000 | 67000 | 0,0020 | 618/6 | ||
SKF 618/6轴承尺寸图纸

