轴承专区
Bearings Center
P 72 R-30 TF轴承-SKF P 72 R-30 TF轴承尺寸、图纸、价格
SKF P 72 R-30 TF轴承
| 产品名称: | P 72 R-30 TF轴承 | 品牌: | SKF |
|---|---|---|---|
| 类型: | SKF轴承 > 轴承单元 > Y-轴承座单元 | ||
| 描述: | P 72 R-30 TF轴承是【SKF轴承 > 轴承单元 > Y-轴承座单元】的型号,主要用在铁路车辆、空气压缩机、减速装置、大型农业机械、轧钢机辊道子、汽车转向销、冶炼厂、薄膜拉伸、掘进机、吹氧装置等各大领域 | ||
电话/微信:138-8949-5179
SKF P 72 R-30 TF轴承详细信息
P 72 R-30 TF轴承是【SKF轴承 > 轴承单元 > Y-轴承座单元】的型号,主要用在铁路车辆、空气压缩机、减速装置、大型农业机械、轧钢机辊道子、汽车转向销、冶炼厂、薄膜拉伸、掘进机、吹氧装置等各大领域。
SKF P 72 R-30 TF轴承详细参数
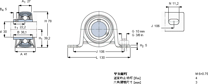
| Y-型立式轴承座单元, 冲压钢轴承座,平头螺钉锁定, 公制轴承 | |||||||||||||
| 尺寸 | 基本负荷额定值 | 可允许住 | 质量 | 轴承单元 | 定购代号 | ||||||||
| 动态 | 静态 | 房装载 | 轴承 | 轴承座 | 轴承 | 橡胶座圈 | |||||||
| d | A | H | H1 | L | C | C0 | 径向 | 单元 | |||||
| mm | kN | kN | kg | - | - | ||||||||
| 30 | 41 | 78 | 39,2 | 130 | 19,5 | 11,2 | 3,3 | 0,58 | P 72 R-30 TF | P 72 | YAR 206-2F | RIS 206 A | |
SKF P 72 R-30 TF轴承尺寸图纸

