轴承专区
Bearings Center
22310 EK + AHX 2310 *轴承-SKF 22310 EK + AHX 2310 *轴承尺寸、图纸、价格
SKF 22310 EK + AHX 2310 *轴承
| 产品名称: | 22310 EK + AHX 2310 *轴承 | 品牌: | SKF |
|---|---|---|---|
| 类型: | SKF轴承 > 滚动轴承 > 球面滚子轴承 | ||
| 描述: | 22310 EK + AHX 2310 *轴承是【SKF轴承 > 滚动轴承 > 球面滚子轴承】的型号,主要用在变速器、印刷机械、汽车发动机、轧钢机辊颈、各类产业用减速机、制铁制钢机械、立式电动机、制鞋、堆取料机、吹氧装置等各大领域 | ||
电话/微信:138-8949-5179
SKF 22310 EK + AHX 2310 *轴承详细信息
22310 EK + AHX 2310 *轴承是【SKF轴承 > 滚动轴承 > 球面滚子轴承】的型号,主要用在变速器、印刷机械、汽车发动机、轧钢机辊颈、各类产业用减速机、制铁制钢机械、立式电动机、制鞋、堆取料机、吹氧装置等各大领域。
SKF 22310 EK + AHX 2310 *轴承详细参数
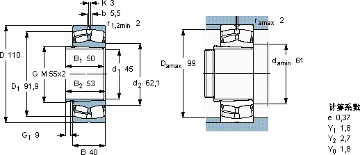
| 球面滚子轴承, 带退卸套的 | ||||||||||
| 主要数据尺寸 | 基本负荷额定值 | 疲劳负荷限值 | 额定速度 | 体积 | 型号 | |||||
| 动态 | 静态 | 参照速度 | 限制速度 | 轴承 +退卸套 | ||||||
| d1 | D | B | C | C0 | Pu | |||||
| * - SKF Explorer 轴承 | ||||||||||
| mm | kN | kN | r/min | kg | - | |||||
| 45 | 110 | 40 | 220 | 224 | 24 | 4800 | 6300 | 2,10 | 22310 EK + AHX 2310 * | |
SKF 22310 EK + AHX 2310 *轴承尺寸图纸

