轴承专区
Bearings Center
306728轴承-SKF 306728轴承尺寸、图纸、价格
SKF 306728轴承
| 产品名称: | 306728轴承 | 品牌: | SKF |
|---|---|---|---|
| 类型: | SKF轴承 > 滚动轴承 > 深沟球轴承 | ||
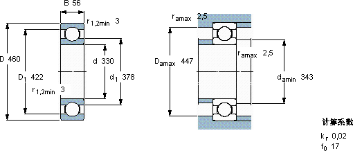
| 描述: | 306728轴承是【SKF轴承 > 滚动轴承 > 深沟球轴承】的型号,主要用在内燃机、空气压缩机、泵、大型农业机械、铁路车辆车轴、耕耘机、挤压机、制鞋、平地机、数控设备等各大领域 | ||
电话/微信:138-8949-5179
SKF 306728轴承详细信息
306728轴承是【SKF轴承 > 滚动轴承 > 深沟球轴承】的型号,主要用在内燃机、空气压缩机、泵、大型农业机械、铁路车辆车轴、耕耘机、挤压机、制鞋、平地机、数控设备等各大领域。
SKF 306728轴承详细参数
| 深沟球轴承, 单列, 无密封件 | |||||||||||
| 主要数据尺寸 | 基本负荷额定值 | 疲劳负荷限值 | 额定速度 | 体积 | 型号 | ||||||
| 动态 | 静态 | 参照速度 | 限制速度 | ||||||||
| d | D | B | C | C0 | Pu | ||||||
| mm | kN | kN | r/min | kg | - | ||||||
| 330 | 460 | 56 | 281 | 425 | 9 | 2600 | 2200 | 30,0 | 306728 | ||
SKF 306728轴承尺寸图纸

