李工:138-8949-5179 刘工:135-0428-8802
型号查询
轴承型号   常见搜索: 6005轴承 6013轴承 23136轴承 6010轴承 617轴承 6008轴承
型号查询 X

轴承专区

Bearings Center

22232 CCK/W33 + H 3132 *轴承-SKF 22232 CCK/W33 + H 3132 *轴承尺寸、图纸、价格

SKF 22232 CCK/W33 + H 3132 *轴承

产品名称:22232 CCK/W33 + H 3132 *轴承 品牌:SKF
类型:SKF轴承 > 滚动轴承 > 球面滚子轴承
描述:22232 CCK/W33 + H 3132 *轴承是【SKF轴承 > 滚动轴承 > 球面滚子轴承】的型号,主要用在铁路车辆、空气压缩机、中型及大型电动机、大型农业机械、铁路车辆车轴、汽车转向销、冶炼厂、陶瓷机械、土方机械、吹氧装置等各大领域

 电话/微信:138-8949-5179

SKF 22232 CCK/W33 + H 3132 *轴承详细信息

22232 CCK/W33 + H 3132 *轴承是【SKF轴承 > 滚动轴承 > 球面滚子轴承】的型号,主要用在铁路车辆、空气压缩机、中型及大型电动机、大型农业机械、铁路车辆车轴、汽车转向销、冶炼厂、陶瓷机械、土方机械、吹氧装置等各大领域。

SKF 22232 CCK/W33 + H 3132 *轴承详细参数

球面滚子轴承, 带紧定套的
主要数据尺寸基本负荷额定值疲劳负荷限值额定速度体积型号
动态静态参照速度限制速度轴承 + 紧定套
d1DBCC0Pu
* - SKF Explorer 轴承
mmkNkNr/minkg-
14029080100012901182000280029,322232 CCK/W33 + H 3132 *

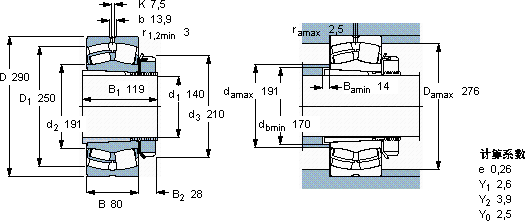
SKF 22232 CCK/W33 + H 3132 *轴承尺寸图纸

李工:138-8949-5179

刘工:135-0428-8802

地址:辽宁省大连经济技术开发区现代城3栋-13-13号

在线客服系统