李工:138-8949-5179 刘工:135-0428-8802
型号查询
轴承型号   常见搜索: 6006轴承 6014轴承 6022轴承 6024轴承 6002轴承 6032轴承
型号查询 X

轴承专区

Bearings Center

22217 EK + AHX 317 *轴承-SKF 22217 EK + AHX 317 *轴承尺寸、图纸、价格

SKF 22217 EK + AHX 317 *轴承

产品名称:22217 EK + AHX 317 *轴承 品牌:SKF
类型:SKF轴承 > 滚动轴承 > 球面滚子轴承
描述:22217 EK + AHX 317 *轴承是【SKF轴承 > 滚动轴承 > 球面滚子轴承】的型号,主要用在内燃机、油泵、压缩机、机床主轴、木工机械、起重机吊钩、挤压机、啤酒、强夯机、抓钢机等各大领域

 电话/微信:138-8949-5179

SKF 22217 EK + AHX 317 *轴承详细信息

22217 EK + AHX 317 *轴承是【SKF轴承 > 滚动轴承 > 球面滚子轴承】的型号,主要用在内燃机、油泵、压缩机、机床主轴、木工机械、起重机吊钩、挤压机、啤酒、强夯机、抓钢机等各大领域。

SKF 22217 EK + AHX 317 *轴承详细参数

球面滚子轴承, 带退卸套的
主要数据尺寸基本负荷额定值疲劳负荷限值额定速度体积型号
动态静态参照速度限制速度轴承 +退卸套
d1DBCC0Pu
* - SKF Explorer 轴承
mmkNkNr/minkg-
801503628532534,5400056003,0522217 EK + AHX 317 *

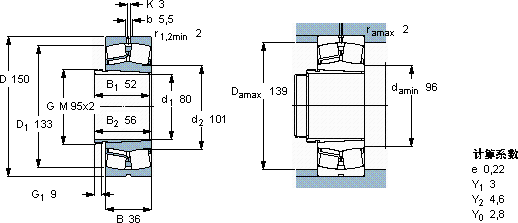
SKF 22217 EK + AHX 317 *轴承尺寸图纸

李工:138-8949-5179

刘工:135-0428-8802

地址:辽宁省大连经济技术开发区现代城3栋-13-13号

在线客服系统