轴承专区
Bearings Center
2213 EKTN9 + H 313轴承-SKF 2213 EKTN9 + H 313轴承尺寸、图纸、价格
SKF 2213 EKTN9 + H 313轴承
| 产品名称: | 2213 EKTN9 + H 313轴承 | 品牌: | SKF |
|---|---|---|---|
| 类型: | SKF轴承 > 滚动轴承 > 自调心球轴承 | ||
| 描述: | 2213 EKTN9 + H 313轴承是【SKF轴承 > 滚动轴承 > 自调心球轴承】的型号,主要用在铁路车辆、机床主轴、中型及大型电动机、汽车、轧钢机辊道子、耕耘机、冶炼厂、陶瓷机械、平地机、机械手等各大领域 | ||
电话/微信:138-8949-5179
SKF 2213 EKTN9 + H 313轴承详细信息
2213 EKTN9 + H 313轴承是【SKF轴承 > 滚动轴承 > 自调心球轴承】的型号,主要用在铁路车辆、机床主轴、中型及大型电动机、汽车、轧钢机辊道子、耕耘机、冶炼厂、陶瓷机械、平地机、机械手等各大领域。
SKF 2213 EKTN9 + H 313轴承详细参数
| 自调心球轴承, 带紧定套, 无密封件 | ||||||||||
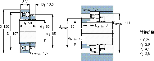
| 主要数据尺寸 | 基本负荷额定值 | 疲劳负荷限值 | 额定速度 | 体积 | 型号 | |||||
| 动态 | 静态 | 参照速度 | 限制速度 | 轴承 + 紧定套 | ||||||
| d1 | D | B | C | C0 | Pu | |||||
| mm | kN | kN | r/min | kg | - | |||||
| 60 | 120 | 31 | 57,2 | 20 | 1,02 | 10000 | 7000 | 1,80 | 2213 EKTN9 + H 313 | |
SKF 2213 EKTN9 + H 313轴承尺寸图纸

