李工:138-8949-5179 刘工:135-0428-8802
型号查询
轴承型号   常见搜索: 6214轴承 6900轴承 6014轴承 22222轴承 6304轴承 23136轴承
型号查询 X

轴承专区

Bearings Center

7200 BECBP轴承-SKF 7200 BECBP轴承尺寸、图纸、价格

SKF 7200 BECBP轴承

产品名称:7200 BECBP轴承 品牌:SKF
类型:SKF轴承 > 滚动轴承 > 角接触球轴承
描述:7200 BECBP轴承是【SKF轴承 > 滚动轴承 > 角接触球轴承】的型号,主要用在燃汽轮机、差速器小齿轮轴、中型及大型电动机、小齿轮轴、轧钢机齿轮箱座、机床等的变速装置、电机厂、陶瓷机械、压路机、数控设备等各大领域

 电话/微信:138-8949-5179

SKF 7200 BECBP轴承详细信息

7200 BECBP轴承是【SKF轴承 > 滚动轴承 > 角接触球轴承】的型号,主要用在燃汽轮机、差速器小齿轮轴、中型及大型电动机、小齿轮轴、轧钢机齿轮箱座、机床等的变速装置、电机厂、陶瓷机械、压路机、数控设备等各大领域。

SKF 7200 BECBP轴承详细参数

角接触球轴承, 单列
主要数据尺寸尺寸 [英寸]疲劳负荷限值额定速度体积型号
动态静态参照速度限制速度
dDBCC0Pu
mmkNkNr/minkg-
103097,023,350,1430000300000,037200 BECBP

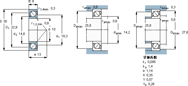
SKF 7200 BECBP轴承尺寸图纸

李工:138-8949-5179

刘工:135-0428-8802

地址:辽宁省大连经济技术开发区现代城3栋-13-13号

在线客服系统