李工:138-8949-5179 刘工:135-0428-8802
型号查询
轴承型号   常见搜索: 6013轴承 617轴承 6309轴承 6304轴承 6024轴承 6906轴承
型号查询 X

轴承专区

Bearings Center

216轴承-SKF 216轴承尺寸、图纸、价格

SKF 216轴承

产品名称:216轴承 品牌:SKF
类型:SKF轴承 > 滚动轴承 > 深沟球轴承
描述:216轴承是【SKF轴承 > 滚动轴承 > 深沟球轴承】的型号,主要用在通用电动机、差速器小齿轮轴、挖土机履带轮、小齿轮轴、各类产业用减速机、机床等的变速装置、轧钢机轧制螺杆用减速机、化纤机械、压路机、刮泥机等各大领域

 电话/微信:138-8949-5179

SKF 216轴承详细信息

216轴承是【SKF轴承 > 滚动轴承 > 深沟球轴承】的型号,主要用在通用电动机、差速器小齿轮轴、挖土机履带轮、小齿轮轴、各类产业用减速机、机床等的变速装置、轧钢机轧制螺杆用减速机、化纤机械、压路机、刮泥机等各大领域。

SKF 216轴承详细参数

深沟球轴承, 单列,带装球缺口, 无密封件
主要数据尺寸基本负荷额定值疲劳负荷限值额定速度体积型号
动态静态参照速度限制速度
dDBCC0Pu
mmkNkNr/minkg-
801402688853,45850053001,55216

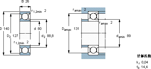
SKF 216轴承尺寸图纸

李工:138-8949-5179

刘工:135-0428-8802

地址:辽宁省大连经济技术开发区现代城3栋-13-13号

在线客服系统