轴承专区
Bearings Center
623-RS1轴承-SKF 623-RS1轴承尺寸、图纸、价格
SKF 623-RS1轴承
| 产品名称: | 623-RS1轴承 | 品牌: | SKF |
|---|---|---|---|
| 类型: | SKF轴承 > 滚动轴承 > 深沟球轴承 | ||
| 描述: | 623-RS1轴承是【SKF轴承 > 滚动轴承 > 深沟球轴承】的型号,主要用在家用电器、空气压缩机、汽车发动机、大型农业机械、造纸机械、耕耘机、塔吊、陶瓷机械、平地机、雷达等各大领域 | ||
电话/微信:138-8949-5179
SKF 623-RS1轴承详细信息
623-RS1轴承是【SKF轴承 > 滚动轴承 > 深沟球轴承】的型号,主要用在家用电器、空气压缩机、汽车发动机、大型农业机械、造纸机械、耕耘机、塔吊、陶瓷机械、平地机、雷达等各大领域。
SKF 623-RS1轴承详细参数
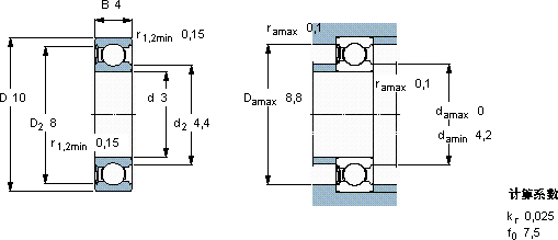
| 深沟球轴承, 单列, 单面密封件 | |||||||||||
| 主要数据尺寸 | 基本负荷额定值 | 疲劳负荷限值 | 额定速度 | 体积 | 型号 | ||||||
| 动态 | 静态 | 参照速度 | 限制速度 | ||||||||
| d | D | B | C | C0 | Pu | ||||||
| mm | kN | kN | r/min | kg | - | ||||||
| 3 | 10 | 4 | 0,54 | 0,18 | 0,007 | - | 40000 | 0,0015 | 623-RS1 | ||
SKF 623-RS1轴承尺寸图纸

