轴承专区
Bearings Center
NKX 30 Z轴承-SKF NKX 30 Z轴承尺寸、图纸、价格
SKF NKX 30 Z轴承
| 产品名称: | NKX 30 Z轴承 | 品牌: | SKF |
|---|---|---|---|
| 类型: | SKF轴承 > 滚动轴承 > 组合滚针轴承 | ||
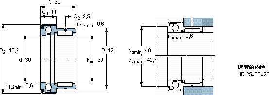
| 描述: | NKX 30 Z轴承是【SKF轴承 > 滚动轴承 > 组合滚针轴承】的型号,主要用在通用电动机、离心分离机、桥式起重机、变速器、破碎机、制铁制钢机械、轧钢机轧制螺杆用减速机、钟表、起重机械、太阳能发电设备等各大领域 | ||
电话/微信:138-8949-5179
SKF NKX 30 Z轴承详细信息
NKX 30 Z轴承是【SKF轴承 > 滚动轴承 > 组合滚针轴承】的型号,主要用在通用电动机、离心分离机、桥式起重机、变速器、破碎机、制铁制钢机械、轧钢机轧制螺杆用减速机、钟表、起重机械、太阳能发电设备等各大领域。
SKF NKX 30 Z轴承详细参数
| 组合式滚针轴承, 滚针/推力球轴承 | ||||||||||||||
| 主要数据尺寸 | 基本负荷额定值 | 疲劳负荷限值 | 最小负荷系数 | 额定速度 | 体积 | 型号 | ||||||||
| 径向 | 轴向 | 参照速度 | 限制速度 | |||||||||||
| 动态 | 静态 | 动态 | 静态 | 径向 | 轴向 | |||||||||
| Fw | D | C | C | C0 | C | C0 | Pu | Pu | A | |||||
| mm | kN | kN | - | r/min | kg | - | ||||||||
| 30 | 42 | 30 | 22,9 | 39 | 20,3 | 45,5 | 4,8 | 1,7 | 0,01 | 6000 | 5000 | 0,15 | NKX 30 Z | |
SKF NKX 30 Z轴承尺寸图纸

