轴承专区
Bearings Center
21308 EK + H 308 *轴承-SKF 21308 EK + H 308 *轴承尺寸、图纸、价格
SKF 21308 EK + H 308 *轴承
| 产品名称: | 21308 EK + H 308 *轴承 | 品牌: | SKF |
|---|---|---|---|
| 类型: | SKF轴承 > 滚动轴承 > 球面滚子轴承 | ||
| 描述: | 21308 EK + H 308 *轴承是【SKF轴承 > 滚动轴承 > 球面滚子轴承】的型号,主要用在农业机械、机床主轴、压缩机、汽车、轧钢机辊道子、耕耘机、钢铁厂、陶瓷机械、地基处理机械、太阳能发电设备等各大领域 | ||
电话/微信:138-8949-5179
SKF 21308 EK + H 308 *轴承详细信息
21308 EK + H 308 *轴承是【SKF轴承 > 滚动轴承 > 球面滚子轴承】的型号,主要用在农业机械、机床主轴、压缩机、汽车、轧钢机辊道子、耕耘机、钢铁厂、陶瓷机械、地基处理机械、太阳能发电设备等各大领域。
SKF 21308 EK + H 308 *轴承详细参数
| 球面滚子轴承, 带紧定套的 | ||||||||||
| 主要数据尺寸 | 基本负荷额定值 | 疲劳负荷限值 | 额定速度 | 体积 | 型号 | |||||
| 动态 | 静态 | 参照速度 | 限制速度 | 轴承 + 紧定套 | ||||||
| d1 | D | B | C | C0 | Pu | |||||
| * - SKF Explorer 轴承 | ||||||||||
| mm | kN | kN | r/min | kg | - | |||||
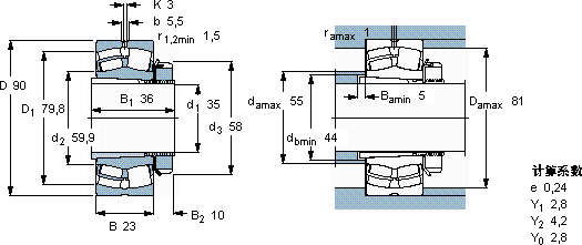
| 35 | 90 | 23 | 104 | 108 | 11,8 | 7000 | 9500 | 0,92 | 21308 EK + H 308 * | |
SKF 21308 EK + H 308 *轴承尺寸图纸

