轴承专区
Bearings Center
23938 CCK/W33 + H 3938轴承-SKF 23938 CCK/W33 + H 3938轴承尺寸、图纸、价格
SKF 23938 CCK/W33 + H 3938轴承
| 产品名称: | 23938 CCK/W33 + H 3938轴承 | 品牌: | SKF |
|---|---|---|---|
| 类型: | SKF轴承 > 滚动轴承 > 球面滚子轴承 | ||
| 描述: | 23938 CCK/W33 + H 3938轴承是【SKF轴承 > 滚动轴承 > 球面滚子轴承】的型号,主要用在铁路车辆、燃料喷射泵、发电机、齿轮减速装置、振动筛、起重机吊钩、冶炼厂、饮料设备、专用车、正面吊等各大领域 | ||
电话/微信:138-8949-5179
SKF 23938 CCK/W33 + H 3938轴承详细信息
23938 CCK/W33 + H 3938轴承是【SKF轴承 > 滚动轴承 > 球面滚子轴承】的型号,主要用在铁路车辆、燃料喷射泵、发电机、齿轮减速装置、振动筛、起重机吊钩、冶炼厂、饮料设备、专用车、正面吊等各大领域。
SKF 23938 CCK/W33 + H 3938轴承详细参数
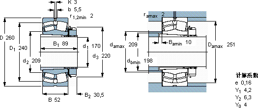
| 球面滚子轴承, 带紧定套的 | ||||||||||
| 主要数据尺寸 | 基本负荷额定值 | 疲劳负荷限值 | 额定速度 | 体积 | 型号 | |||||
| 动态 | 静态 | 参照速度 | 限制速度 | 轴承 + 紧定套 | ||||||
| d1 | D | B | C | C0 | Pu | |||||
| mm | kN | kN | r/min | kg | - | |||||
| 170 | 260 | 52 | 414 | 800 | 76,5 | 2200 | 2600 | 14,5 | 23938 CCK/W33 + H 3938 | |
SKF 23938 CCK/W33 + H 3938轴承尺寸图纸

