轴承专区
Bearings Center
21306 CC轴承-SKF 21306 CC轴承尺寸、图纸、价格
SKF 21306 CC轴承
| 产品名称: | 21306 CC轴承 | 品牌: | SKF |
|---|---|---|---|
| 类型: | SKF轴承 > 滚动轴承 > 球面滚子轴承 | ||
| 描述: | 21306 CC轴承是【SKF轴承 > 滚动轴承 > 球面滚子轴承】的型号,主要用在农业机械、油泵、纺织机械传动轴、机床主轴、铁路车辆车轴、石油钻机、钢铁厂、塑料、给料机械、太阳能发电设备等各大领域 | ||
电话/微信:138-8949-5179
SKF 21306 CC轴承详细信息
21306 CC轴承是【SKF轴承 > 滚动轴承 > 球面滚子轴承】的型号,主要用在农业机械、油泵、纺织机械传动轴、机床主轴、铁路车辆车轴、石油钻机、钢铁厂、塑料、给料机械、太阳能发电设备等各大领域。
SKF 21306 CC轴承详细参数
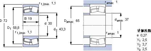
| 球面滚子轴承, 圆柱和圆锥孔, 圆柱型内孔, 无密封件 | ||||||||||
| 主要数据尺寸 | 基本负荷额定值 | 疲劳负荷限值 | 额定速度 | 体积 | 型号 | |||||
| 动态 | 静态 | 参照速度 | 限制速度 | |||||||
| d | D | B | C | C0 | Pu | |||||
| mm | kN | kN | r/min | kg | - | |||||
| 30 | 72 | 19 | 55,2 | 61 | 6,8 | 7500 | 10000 | 0,41 | 21306 CC | |
SKF 21306 CC轴承尺寸图纸

