轴承专区
Bearings Center
KMT 38轴承-SKF KMT 38轴承尺寸、图纸、价格
SKF KMT 38轴承
| 产品名称: | KMT 38轴承 | 品牌: | SKF |
|---|---|---|---|
| 类型: | SKF轴承 > 滚动轴承 > 轴承附件 | ||
| 描述: | KMT 38轴承是【SKF轴承 > 滚动轴承 > 轴承附件】的型号,主要用在家用电器、燃汽轮机、减速装置、后轮、铁路车辆车轴、起重机吊钩、塔吊、玩具、强夯机、雷达等各大领域 | ||
电话/微信:138-8949-5179
SKF KMT 38轴承详细信息
KMT 38轴承是【SKF轴承 > 滚动轴承 > 轴承附件】的型号,主要用在家用电器、燃汽轮机、减速装置、后轮、铁路车辆车轴、起重机吊钩、塔吊、玩具、强夯机、雷达等各大领域。
SKF KMT 38轴承详细参数
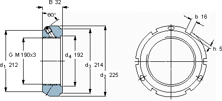
| 带锁紧销的KMT精密锁紧定螺母 | ||||||||||
| 螺纹尺寸 | 尺寸 | 轴向负荷 | 体积 | 型号 | 平头螺钉 | |||||
| 承载能力 | 锁定螺母 | 适宜的板手 | 尺寸 | 推荐的紧固扭矩 | ||||||
| d3 | B | G | 静态 | |||||||
| - | mm | - | kN | kg | - | - | - | Nm | ||
| 190 | 214 | 32 | M 190x3 | 1280 | 2,40 | KMT 38 | TMFN 30-40 | M 10 | 35 | |
SKF KMT 38轴承尺寸图纸

