轴承专区
Bearings Center
BB1B 630533轴承-SKF BB1B 630533轴承尺寸、图纸、价格
SKF BB1B 630533轴承
| 产品名称: | BB1B 630533轴承 | 品牌: | SKF |
|---|---|---|---|
| 类型: | SKF轴承 > 滚动轴承 > 深沟球轴承 | ||
| 描述: | BB1B 630533轴承是【SKF轴承 > 滚动轴承 > 深沟球轴承】的型号,主要用在变速器、罗茨鼓风机、桥式起重机、建筑机械、各类产业用减速机、石油钻机转环、立式电动机、破碎、轻工机械、正面吊等各大领域 | ||
电话/微信:138-8949-5179
SKF BB1B 630533轴承详细信息
BB1B 630533轴承是【SKF轴承 > 滚动轴承 > 深沟球轴承】的型号,主要用在变速器、罗茨鼓风机、桥式起重机、建筑机械、各类产业用减速机、石油钻机转环、立式电动机、破碎、轻工机械、正面吊等各大领域。
SKF BB1B 630533轴承详细参数
| 深沟球轴承, 单列, 无密封件 | |||||||||||
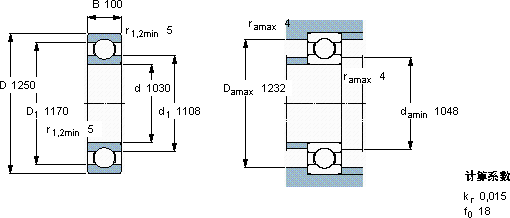
| 主要数据尺寸 | 基本负荷额定值 | 疲劳负荷限值 | 额定速度 | 体积 | 型号 | ||||||
| 动态 | 静态 | 参照速度 | 限制速度 | ||||||||
| d | D | B | C | C0 | Pu | ||||||
| mm | kN | kN | r/min | kg | - | ||||||
| 1030 | 1250 | 100 | 605 | 1760 | 22 | 700 | 600 | 250 | BB1B 630533 | ||
SKF BB1B 630533轴承尺寸图纸

