李工:138-8949-5179 刘工:135-0428-8802
型号查询
轴承型号   常见搜索: 2026轴承 32313轴承 6012轴承 22222轴承 6032轴承 6019轴承
型号查询 X

轴承专区

Bearings Center

FYRP 3 H-18轴承-SKF FYRP 3 H-18轴承尺寸、图纸、价格

SKF FYRP 3 H-18轴承

产品名称:FYRP 3 H-18轴承 品牌:SKF
类型:SKF轴承 > 轴承单元 > 法兰滚子轴承单元
描述:FYRP 3 H-18轴承是【SKF轴承 > 轴承单元 > 法兰滚子轴承单元】的型号,主要用在仪表、离心分离机、泵、变速器、印刷机械、制铁制钢机械、碾煤机、啤酒、起重机械、坦克等各大领域

 电话/微信:138-8949-5179

SKF FYRP 3 H-18轴承详细信息

FYRP 3 H-18轴承是【SKF轴承 > 轴承单元 > 法兰滚子轴承单元】的型号,主要用在仪表、离心分离机、泵、变速器、印刷机械、制铁制钢机械、碾煤机、啤酒、起重机械、坦克等各大领域。

SKF FYRP 3 H-18轴承详细参数

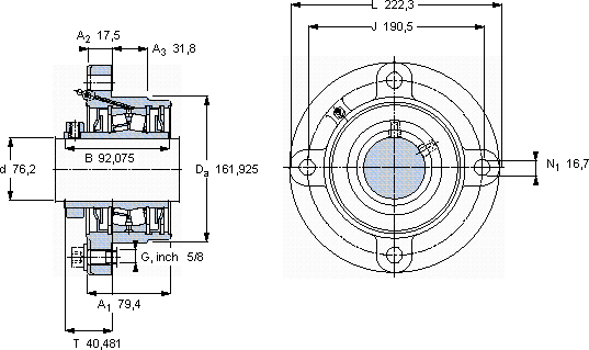
带法兰的滚子轴承单元, 锁定套和插口,用于英制的轴, locating units, labyrinth seals
尺寸尺寸 [英寸]限制速度质量型号轴承,基本型号
动态静态
daA1JLTCC0
mmkNr/minkg--
76,279,4190,5222,340,48115820834008,85FYRP 3 H-1822215

SKF FYRP 3 H-18轴承尺寸图纸

李工:138-8949-5179

刘工:135-0428-8802

地址:辽宁省大连经济技术开发区现代城3栋-13-13号

在线客服系统