轴承专区
Bearings Center
16038轴承-SKF 16038轴承尺寸、图纸、价格
SKF 16038轴承
| 产品名称: | 16038轴承 | 品牌: | SKF |
|---|---|---|---|
| 类型: | SKF轴承 > 滚动轴承 > 深沟球轴承 | ||
| 描述: | 16038轴承是【SKF轴承 > 滚动轴承 > 深沟球轴承】的型号,主要用在通用电动机、印刷机械、中型及大型电动机、轧钢机辊颈、印刷机械、石油钻机转环、轧钢机轧制螺杆用减速机、陶瓷机械、凿岩机械、刮泥机等各大领域 | ||
电话/微信:138-8949-5179
SKF 16038轴承详细信息
16038轴承是【SKF轴承 > 滚动轴承 > 深沟球轴承】的型号,主要用在通用电动机、印刷机械、中型及大型电动机、轧钢机辊颈、印刷机械、石油钻机转环、轧钢机轧制螺杆用减速机、陶瓷机械、凿岩机械、刮泥机等各大领域。
SKF 16038轴承详细参数
| 深沟球轴承, 单列, 无密封件 | |||||||||||
| 主要数据尺寸 | 基本负荷额定值 | 疲劳负荷限值 | 额定速度 | 体积 | 型号 | ||||||
| 动态 | 静态 | 参照速度 | 限制速度 | ||||||||
| d | D | B | C | C0 | Pu | ||||||
| mm | kN | kN | r/min | kg | - | ||||||
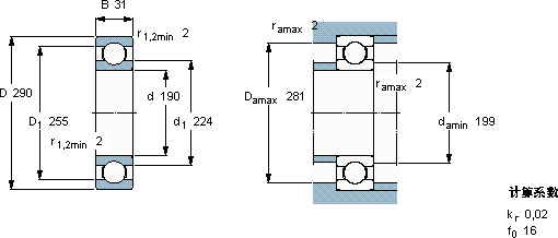
| 190 | 290 | 31 | 148 | 166 | 4,55 | 4800 | 3000 | 7,90 | 16038 | ||
SKF 16038轴承尺寸图纸

