轴承专区
Bearings Center
1318 K + H 318轴承-SKF 1318 K + H 318轴承尺寸、图纸、价格
SKF 1318 K + H 318轴承
| 产品名称: | 1318 K + H 318轴承 | 品牌: | SKF |
|---|---|---|---|
| 类型: | SKF轴承 > 滚动轴承 > 自调心球轴承 | ||
| 描述: | 1318 K + H 318轴承是【SKF轴承 > 滚动轴承 > 自调心球轴承】的型号,主要用在燃汽轮机、罗茨鼓风机、泵、建筑机械、轧钢机齿轮箱座、石油钻机转环、电机厂、塑料、凿岩机械、码垛机器人等各大领域 | ||
电话/微信:138-8949-5179
SKF 1318 K + H 318轴承详细信息
1318 K + H 318轴承是【SKF轴承 > 滚动轴承 > 自调心球轴承】的型号,主要用在燃汽轮机、罗茨鼓风机、泵、建筑机械、轧钢机齿轮箱座、石油钻机转环、电机厂、塑料、凿岩机械、码垛机器人等各大领域。
SKF 1318 K + H 318轴承详细参数
| 自调心球轴承, 带紧定套, 无密封件 | ||||||||||
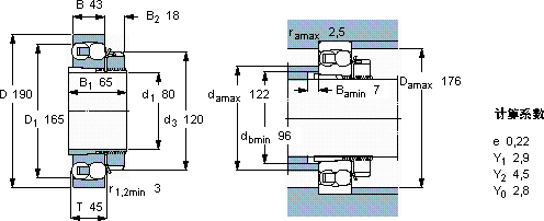
| 主要数据尺寸 | 基本负荷额定值 | 疲劳负荷限值 | 额定速度 | 体积 | 型号 | |||||
| 动态 | 静态 | 参照速度 | 限制速度 | 轴承 + 紧定套 | ||||||
| d1 | D | B | C | C0 | Pu | |||||
| mm | kN | kN | r/min | kg | - | |||||
| 80 | 190 | 43 | 117 | 44 | 1,93 | 6700 | 4500 | 6,90 | 1318 K + H 318 | |
SKF 1318 K + H 318轴承尺寸图纸

