李工:138-8949-5179 刘工:135-0428-8802
型号查询
轴承型号   常见搜索: 6028轴承 7014轴承 71913轴承 6019轴承 6011轴承 6305轴承
型号查询 X

轴承专区

Bearings Center

70/710 AMB轴承-SKF 70/710 AMB轴承尺寸、图纸、价格

SKF 70/710 AMB轴承

产品名称:70/710 AMB轴承 品牌:SKF
类型:SKF轴承 > 滚动轴承 > 角接触球轴承
描述:70/710 AMB轴承是【SKF轴承 > 滚动轴承 > 角接触球轴承】的型号,主要用在仪表、离心分离机、变速器、变速器、减速装置、石油钻机转环、碾煤机、制鞋、轻工机械、坦克等各大领域

 电话/微信:138-8949-5179

SKF 70/710 AMB轴承详细信息

70/710 AMB轴承是【SKF轴承 > 滚动轴承 > 角接触球轴承】的型号,主要用在仪表、离心分离机、变速器、变速器、减速装置、石油钻机转环、碾煤机、制鞋、轻工机械、坦克等各大领域。

SKF 70/710 AMB轴承详细参数

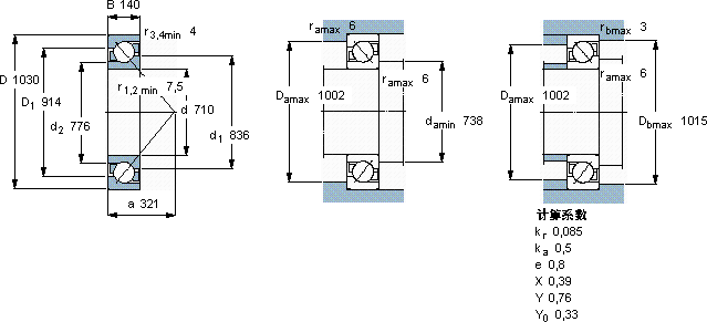
角接触球轴承, 单列
主要数据尺寸尺寸 [英寸]疲劳负荷限值额定速度体积型号
动态静态参照速度限制速度
dDBCC0Pu
mmkNkNr/minkg-
71010301401190325046,556060037070/710 AMB

SKF 70/710 AMB轴承尺寸图纸

李工:138-8949-5179

刘工:135-0428-8802

地址:辽宁省大连经济技术开发区现代城3栋-13-13号

在线客服系统