李工:138-8949-5179 刘工:135-0428-8802
型号查询
轴承型号   常见搜索: 32313轴承 6016轴承 6030轴承 2026轴承 688a轴承 6026轴承
型号查询 X

轴承专区

Bearings Center

6405轴承-SKF 6405轴承尺寸、图纸、价格

SKF 6405轴承

产品名称:6405轴承 品牌:SKF
类型:SKF轴承 > 滚动轴承 > 深沟球轴承
描述:6405轴承是【SKF轴承 > 滚动轴承 > 深沟球轴承】的型号,主要用在装卸搬运机械、高频马达、挖土机履带轮、前轮、减速装置、机床主轴、矿山、精细化工机械、混凝土机械、伽玛等各大领域

 电话/微信:138-8949-5179

SKF 6405轴承详细信息

6405轴承是【SKF轴承 > 滚动轴承 > 深沟球轴承】的型号,主要用在装卸搬运机械、高频马达、挖土机履带轮、前轮、减速装置、机床主轴、矿山、精细化工机械、混凝土机械、伽玛等各大领域。

SKF 6405轴承详细参数

深沟球轴承, 单列, 无密封件
主要数据尺寸基本负荷额定值疲劳负荷限值额定速度体积型号
动态静态参照速度限制速度
dDBCC0Pu
mmkNkNr/minkg-
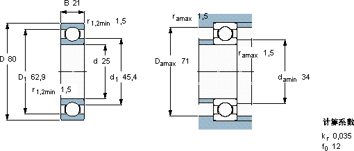
25802135,819,30,81520000130000,536405

SKF 6405轴承尺寸图纸

李工:138-8949-5179

刘工:135-0428-8802

地址:辽宁省大连经济技术开发区现代城3栋-13-13号

在线客服系统