李工:138-8949-5179 刘工:135-0428-8802
型号查询
轴承型号   常见搜索: 2025轴承 6010轴承 32313轴承 6909轴承 2026轴承 6214轴承
型号查询 X

轴承专区

Bearings Center

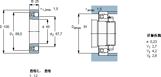
1309 EKTN9轴承-SKF 1309 EKTN9轴承尺寸、图纸、价格

SKF 1309 EKTN9轴承

产品名称:1309 EKTN9轴承 品牌:SKF
类型:SKF轴承 > 滚动轴承 > 自调心球轴承
描述:1309 EKTN9轴承是【SKF轴承 > 滚动轴承 > 自调心球轴承】的型号,主要用在仪表、各类变速器、木工机械、铁路车辆、轧钢机齿轮箱座、机床主轴、碾煤机、破碎、混凝土机械、坦克等各大领域

 电话/微信:138-8949-5179

SKF 1309 EKTN9轴承详细信息

1309 EKTN9轴承是【SKF轴承 > 滚动轴承 > 自调心球轴承】的型号,主要用在仪表、各类变速器、木工机械、铁路车辆、轧钢机齿轮箱座、机床主轴、碾煤机、破碎、混凝土机械、坦克等各大领域。

SKF 1309 EKTN9轴承详细参数

自调心球轴承, 圆柱孔和圆锥孔, 圆锥型内孔, 无密封件
主要数据尺寸基本负荷额定值疲劳负荷限值额定速度体积型号
动态静态参照速度限制速度
dDBCC0Pu
mmkNkNr/minkg-
45100253913,40,71200085000,961309 EKTN9

SKF 1309 EKTN9轴承尺寸图纸

李工:138-8949-5179

刘工:135-0428-8802

地址:辽宁省大连经济技术开发区现代城3栋-13-13号

在线客服系统