轴承专区
Bearings Center
231/800 CAK/W33 + OH 31/800 H轴承-SKF 231/800 CAK/W33 + OH 31/800 H轴承尺寸、图纸、价格
SKF 231/800 CAK/W33 + OH 31/800 H轴承
| 产品名称: | 231/800 CAK/W33 + OH 31/800 H轴承 | 品牌: | SKF |
|---|---|---|---|
| 类型: | SKF轴承 > 滚动轴承 > 球面滚子轴承 | ||
| 描述: | 231/800 CAK/W33 + OH 31/800 H轴承是【SKF轴承 > 滚动轴承 > 球面滚子轴承】的型号,主要用在装卸搬运机械、离心分离机、压缩机、变速器、各类产业用减速机、石油钻机转环、矿山、音像设备、轻工机械、摩天轮等各大领域 | ||
电话/微信:138-8949-5179
SKF 231/800 CAK/W33 + OH 31/800 H轴承详细信息
231/800 CAK/W33 + OH 31/800 H轴承是【SKF轴承 > 滚动轴承 > 球面滚子轴承】的型号,主要用在装卸搬运机械、离心分离机、压缩机、变速器、各类产业用减速机、石油钻机转环、矿山、音像设备、轻工机械、摩天轮等各大领域。
SKF 231/800 CAK/W33 + OH 31/800 H轴承详细参数
| 球面滚子轴承, 带紧定套的 | ||||||||||
| 主要数据尺寸 | 基本负荷额定值 | 疲劳负荷限值 | 额定速度 | 体积 | 型号 | |||||
| 动态 | 静态 | 参照速度 | 限制速度 | 轴承 + 紧定套 | ||||||
| d1 | D | B | C | C0 | Pu | |||||
| mm | kN | kN | r/min | kg | - | |||||
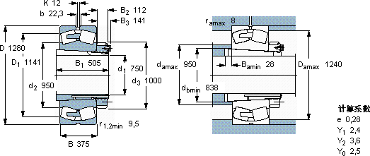
| 750 | 1280 | 375 | 14800 | 31500 | 1800 | 200 | 400 | 2430 | 231/800 CAK/W33 + OH 31/800 H | |
SKF 231/800 CAK/W33 + OH 31/800 H轴承尺寸图纸

